
Njesi tregtare ne Linze, Tirane 109m2
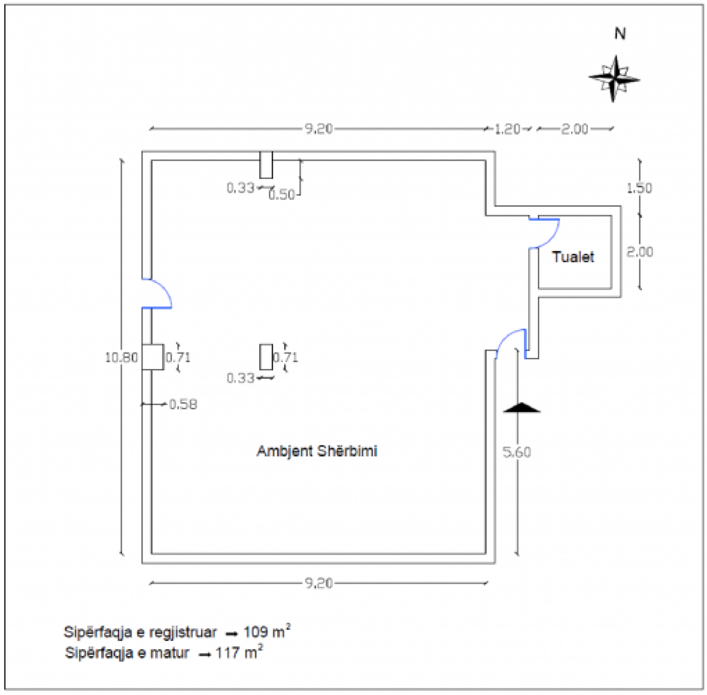
Prona ndodhet në katin përdhe të një pallati të ri 7 katësh+1 kat bodrum, që ndodhet në Linzë, të qytetit të Tiranës. Prona lokalizohet rreth 1.30 km në anën verilindore të Kinostudios, rreth 330 m në anën jugperëndimore të “Dajti Ekspres”, rreth 950 m në anën verilindore të “Tv Klan” dhe rreth 300 m në veri të Restorant “Freskut".Pallati në të cilin bën pjesë prona është pjesë e pallateve të reja të ndërtuara në vitin 2009 në Linzë, të qytetit të Tiranës.Njesia është e orientuar në anën perëndimore, përbëhet nga 1 ambjent shërbimi dhe 1 tualet dhe ka sipërfaqe të totale prej 109 m2. Rifiniturat:Muret dhe tavani janë të suvatuar dhe të lyer me bojë me ngjyrë të bardhë.
Dyshemeja e të gjitha ambjenteve është e shtruar me pllaka gresi me ngjyrë bezhë me përmasa 25x25 cm.Dera hyrëse në pronë është prej duralumini e kombinuar me xham masiv.Tualeti është i shtruar me pllaka gressi me ngjyrë gri në formë rombike me përmasa 25x25 cm dhe i veshur me pllaka gressi me ngjyrë gri dhe të bardhë deri në lartësinë 2.20 m, si dhe është i pajisur me pajisjet h/sanitare të nevojshme.Dera e tualetit është prej duralumini me ngjyrë të bardhë me gjerësi 0.70 m.Infrastrukura e zonës në përgjithësi është në gjëndje të mirë dhe të mirëmbajtur. Rrugët kryesore dhe dytësore të zonës janë të shtruara dhe të asfaltuara. Rruga dytësore që kalon në anën lindore të pallatit ku ndodhet prona dhe mundëson aksesin e saj në rrugën kryesore “Sotir Caci” në një distancë prej rreth 430 m është e shtruar dhe e asfaltuar.Infrastuktuara e brendshme e kompleksit paraqitej në gjëndje të mirë me sipërfaqe të shtruara me beton dhe të gjelbëruara.
Përshkrimi
Prona ndodhet në katin përdhe të një pallati të ri 7 katësh+1 kat bodrum, që ndodhet në Linzë, të qytetit të Tiranës. Prona lokalizohet rreth 1.30 km në anën verilindore të Kinostudios, rreth 330 m në anën jugperëndimore të “Dajti Ekspres”, rreth 950 m në anën verilindore të “Tv Klan” dhe rreth 300 m në veri të Restorant “Freskut".Pallati në të cilin bën pjesë prona është pjesë e pallateve të reja të ndërtuara në vitin 2009 në Linzë, të qytetit të Tiranës.Njesia është e orientuar në anën perëndimore, përbëhet nga 1 ambjent shërbimi dhe 1 tualet dhe ka sipërfaqe të totale prej 109 m2. Rifiniturat:Muret dhe tavani janë të suvatuar dhe të lyer me bojë me ngjyrë të bardhë.
Dyshemeja e të gjitha ambjenteve është e shtruar me pllaka gresi me ngjyrë bezhë me përmasa 25x25 cm.Dera hyrëse në pronë është prej duralumini e kombinuar me xham masiv.Tualeti është i shtruar me pllaka gressi me ngjyrë gri në formë rombike me përmasa 25x25 cm dhe i veshur me pllaka gressi me ngjyrë gri dhe të bardhë deri në lartësinë 2.20 m, si dhe është i pajisur me pajisjet h/sanitare të nevojshme.Dera e tualetit është prej duralumini me ngjyrë të bardhë me gjerësi 0.70 m.Infrastrukura e zonës në përgjithësi është në gjëndje të mirë dhe të mirëmbajtur. Rrugët kryesore dhe dytësore të zonës janë të shtruara dhe të asfaltuara. Rruga dytësore që kalon në anën lindore të pallatit ku ndodhet prona dhe mundëson aksesin e saj në rrugën kryesore “Sotir Caci” në një distancë prej rreth 430 m është e shtruar dhe e asfaltuar.Infrastuktuara e brendshme e kompleksit paraqitej në gjëndje të mirë me sipërfaqe të shtruara me beton dhe të gjelbëruara.